Features
◇ It works together with ZVAB-NC.
◇ ZVAB-NC provides an air control signal to realize the opening and closing of the control valve and save energy.
| How to order | ||||
| ZVAC -NO ① ② | ||||
| ① Series | ② Function | Connection thread | ||
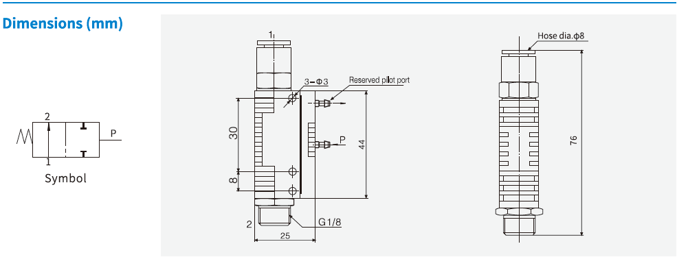
| ZVAC | NO - Normally open | Standard, G1/8 male thread | ||
| Technical parameters | ||||
| Air supply pressure (bar) | Operating temperature (℃) | Control mode | Action mode | Weight(g) |
| 1/8 | 0-60 | Pneumatic control | NO | 55 |

